產品特色 Feature
- 產品特色
- 飼養堅持
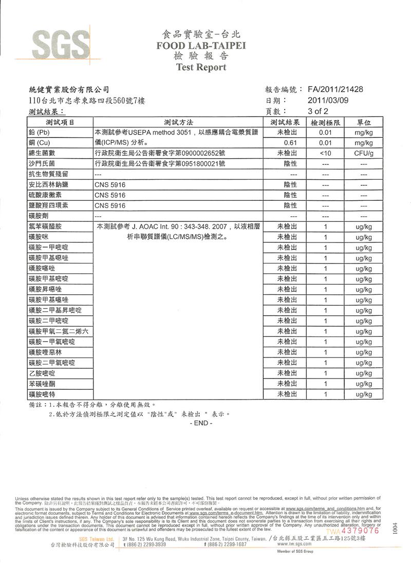
- SGS檢驗
土雞蛋推薦首選3Q蛋,王功畜牧場健康雞營養夠,不須吃藥,自然生長不須抗生素!
所謂3Q蛋是三大的品質把關
Quality-Nutrient-營養
Tasty-美味
Health-健康

使用自然畜養法則,堅持不投藥、不打抗生素,SGS檢驗合格,安心絕不打折扣,蛋的好壞,關鍵除了外表蛋殼色澤紋路,更注重內在蛋的本身,著重於從雞隻選擇到之後的飼料、水質、環境。
我們知道好的環境,適當的飲食健康雞不須要藥,自然生長不須抗生素,我們在乎雞的心情,心存感激,謝謝牠們所賜予的美好雞蛋,讓我們擁有更完善的營養來源,濃郁豐厚的雞蛋香,好味道吃了就會知道,品質優不優,騙不了人!
彰化芳苑王功畜牧場的認證雞蛋自產自銷最便宜!
我們在乎雞的心情,吃得營養,最好的飼料食材就是,單純、純粹、無添加!飼料嚴選內含:綠藻粉、玉米、辣椒粉 豆粉、腸道益生菌。




